Crystal Radio

Crystal Radio, Front


Crystal Radio, Back


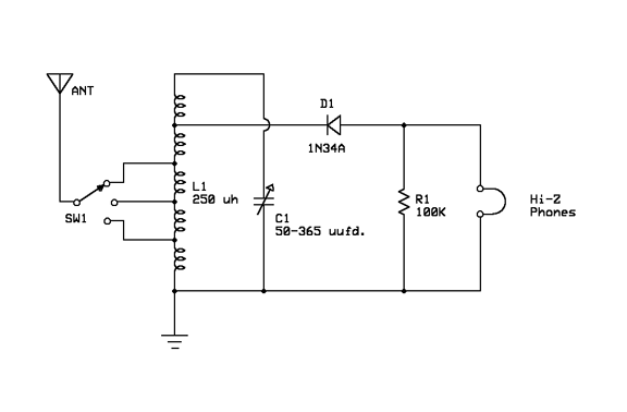
Crystal Radio Schematic